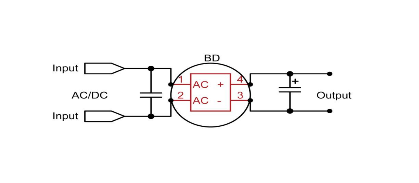
肖特基整流桥产品是由4颗肖特基硅二极管桥式毗连,有四个引出脚。两只二极管负极的毗连点是全桥直流输出端的“正极”,两只二极管正极的毗连点是全桥直流输出端的“负极”,外用绝缘朔料封装而成。

肖特基整流桥是使用二极管的单向导电性,把交流电或者直流电变换成极性稳固的直流电。
|
Type |
Current |
Voltage |
Package |
VF@25℃ |
VF@125℃ |
IR(uA)25℃ |
IR(mA)100℃ |
IFSM(A) |
Tj(℃) |
Download |
|
KMB14F |
1 |
40 |
MBF |
0.55@1A |
0.45@1A |
300 |
10 |
30 |
-55 to +150 |
|
|
KMB16F |
1 |
60 |
MBF |
0.7@1A |
0.62@1A |
500 |
20 |
30 |
-55 to +150 |
|
|
KMB110F |
1 |
100 |
MBF |
0.85@1A |
0.75@1A |
200 |
10 |
30 |
-55 to +150 |
|
|
KMB24F |
2 |
40 |
MBF |
0.45@2A |
0.35@2A |
500 |
10 |
50 |
-55 to +150 |
|
|
KMB26F |
2 |
60 |
MBF |
0.7@2A |
0.62@2A |
500 |
10 |
50 |
-55 to +150 |
|
|
KMB210F |
2 |
100 |
MBF |
0.85@2A |
0.78@2A |
500 |
20 |
50 |
-55 to +150 |
|
|
KMSB56LA |
5 |
60 |
MSB |
0.59@5A |
0.45@3A |
300 |
15 |
80 |
-55 to +150 |
|
|
KDBF510 |
5 |
100 |
DBF |
0.86@5A |
0.80@3A |
300 |
15 |
80 |
-55 to +150 |
|
|
KGBU1010 |
10 |
100 |
GBU |
0.79@2A |
0.73@2A |
5 |
0.5 |
150 |
–55 to +125 |
|
|
KGBU1510 |
15 |
100 |
GBU |
1.1@7.5A |
0.69@2A |
5 |
0.5 |
200 |
–55 to +125 |


盘问授权经销












