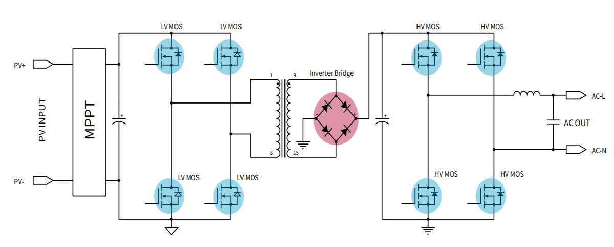
便携式储能普遍应用于应急供电、户外作业、探险、露营等。其组成包括:电池包、BMS、PD快充板、控制板、太阳能充电?椤⒛姹淦鞯。逆变器将电池的低压直流通过变压器转换成交流230VAC/50Hz或110VAC/60Hz,是便携式储能的焦点,具有高效率、高可靠性的特征,因此对器件的选用有严酷的要求。

器件选型
|
Type |
Current |
Voltage |
Package |
Application |
VF @25℃ |
IR(uA)25℃ |
IR(mA)125℃ |
IFSM(A) |
TJ(℃) |
|
D3K203E50 |
2 |
300 |
D3K |
150W |
10 |
0.5 |
50 |
-55 to +150 |
|
|
D3K206E50 |
2 |
600 |
D3K |
200W |
10 |
0.5 |
50 |
-55 to +150 |
|
|
ABS206E50 |
2 |
600 |
ABS |
100W |
10 |
0.5 |
50 |
-55 to +150 |
|
|
MSB403E50 |
4 |
300 |
MSB |
150W |
1.0@2A |
10 |
0.5 |
120 |
-55 to +150 |
|
MSB406E50 |
4 |
600 |
MSB |
200W |
10 |
0.5 |
120 |
-55 to +150 |
|
|
GBU603E50 |
6 |
300 |
GBU |
250W |
10 |
0.5 |
150 |
-55 to +150 |
|
|
D3K603E50 |
6 |
300 |
D3K |
150W |
10 |
0.5 |
150 |
-55 to +150 |
|
|
D3K606E50 |
6 |
600 |
D3K |
200W |
10 |
0.5 |
150 |
-55 to +150 |
|
|
RBU606E50 |
6 |
600 |
RBU |
300W |
1.15@3A |
10 |
0.5 |
175 |
-55 to +150 |
|
GBU606E50 |
6 |
600 |
GBU |
500W |
10 |
0.5 |
175 |
-55 to +150 |
|
|
LSB803E50 |
8 |
300 |
LSB |
200W |
1.0@4A |
10 |
0.5 |
175 |
-55 to +150 |
|
LSB806E50 |
8 |
600 |
LSB |
400W |
10 |
0.5 |
175 |
-55 to +150 |
|
|
GBU803E50 |
8 |
300 |
GBU |
300W |
10 |
0.5 |
175 |
-55 to +150 |
|
|
D3K803E50 |
8 |
300 |
D3K |
300W |
10 |
0.5 |
175 |
-55 to +150 |
|
|
GBU806E50 |
8 |
600 |
GBU |
500W |
10 |
0.5 |
175 |
-55 to +150 |
|
|
D3K806E50 |
8 |
600 |
D3K |
400W |
10 |
0.5 |
175 |
-55 to +150 |
|
|
GBU1003E50 |
10 |
300 |
GBU |
500W |
10 |
0.5 |
200 |
-55 to +150 |
|
|
GBU1004E50 |
10 |
400 |
GBU |
500W |
10 |
0.5 |
200 |
-55 to +150 |
|
|
GBU1006E50 |
10 |
600 |
GBU |
800W |
1.25@5A |
10 |
0.5 |
200 |
-55 to +150 |
|
GBJ1503E50 |
15 |
300 |
GBJ |
800W |
10 |
0.5 |
225 |
-55 to +150 |
|
|
GBJ1506E50 |
15 |
600 |
GBJ |
1000W |
10 |
0.5 |
225 |
-55 to +150 |
|
|
GBU1503E50 |
15 |
300 |
GBU |
800W |
10 |
0.5 |
225 |
-55 to +150 |
|
|
GBU1506E50 |
15 |
600 |
GBU |
1000W |
10 |
0.5 |
240 |
-55 to +150 |
|
|
D3K1503E150 |
15 |
300 |
D3K |
800W |
10 |
0.5 |
180 |
-55 to +150 |
|
|
GBU1503E150 |
15 |
300 |
GBU |
600W |
10 |
0.5 |
180 |
-55 to +150 |
|
|
GBU1508E50 |
15 |
800 |
GBU |
1200W |
10 |
0.5 |
210 |
-55 to +150 |
|
|
GBU2503E50 |
25 |
300 |
GBU |
1000W |
10 |
0.5 |
300 |
-55 to +150 |
|
|
GBJ2503E50 |
25 |
300 |
GBJ |
1200W |
10 |
0.5 |
250 |
-55 to +150 |
|
|
GBU2506E50 |
25 |
600 |
GBU |
1500W |
10 |
0.5 |
300 |
-55 to +150 |
|
|
GBJ2506E50 |
25 |
600 |
GBJ |
1800W |
10 |
0.5 |
300 |
-55 to +150 |
|
|
GBJ2508E50 |
25 |
800 |
GBJ |
1500W |
10 |
0.5 |
300 |
-55 to +150 |
|
|
GBJ2512E50 |
25 |
1200 |
GBJ |
1500W |
10 |
0.5 |
230 |
-55 to +150 |
|
|
GBJ3503E50 |
35 |
300 |
GBJ |
1500W |
10 |
0.5 |
380 |
-55 to +150 |
|
|
GBJ3506E50 |
35 |
600 |
GBJ |
2500W |
1.95 @17.5A |
10 |
0.5 |
380 |
-55 to +150 |
|
GBJ4003E50 |
40 |
300 |
GBJ |
2000W |
10 |
0.5 |
450 |
-55 to +150 |
|
|
GBJ4006E50 |
40 |
600 |
GBJ |
3000W |
10 |
0.5 |
450 |
-55 to +150 |
|
|
DXB4003E50 |
40 |
300 |
DXT |
2500W |
10 |
0.5 |
450 |
-55 to +150 |
|
|
DXB4006E50 |
40 |
600 |
DXT |
3500W |
10 |
0.5 |
450 |
-55 to +150 |
|
|
DXT4006E50 |
40 |
600 |
DXT-5 |
3500W |
10 |
0.5 |
450 |
-55 to +150 |
|
|
GBJ4003E150 |
40 |
300 |
GBJ |
2000W |
10 |
0.5 |
450 |
-55 to +150 |
|
|
DXT6003E50 |
60 |
300 |
DXT-5 |
3000W |
10 |
0.5 |
480 |
-55 to +150 |
|
|
DXT6006E50 |
60 |
600 |
DXT-5 |
4000W |
10 |
0.5 |
480 |
-55 to +150 |
|
|
DXB6003E50 |
60 |
300 |
DXT |
3000W |
10 |
0.5 |
480 |
-55 to +150 |
|
|
DXB6006E50 |
60 |
600 |
DXT |
4000W |
10 |
0.5 |
480 |
-55 to +150 |
|
|
DXB8003E50 |
80 |
300 |
DXT |
3500W |
10 |
0.5 |
550 |
-55 to +150 |
|
|
DXB8006E50 |
80 |
600 |
DXT |
5000W |
10 |
0.5 |
550 |
-55 to +150 |
|
|
DXT8006E50 |
80 |
600 |
DXT-5 |
5000W |
10 |
0.5 |
550 |
-55 to +150 |


盘问授权经销








