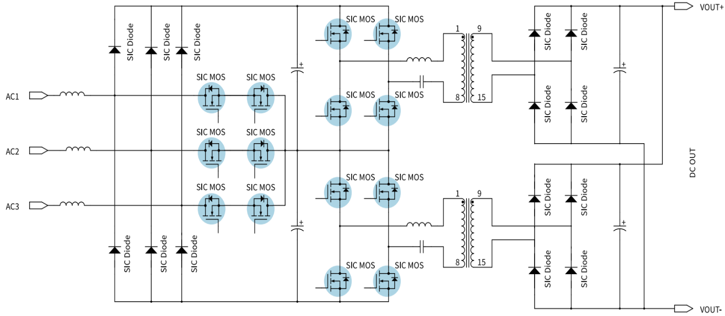
充电桩分为交流桩和直流桩。直流桩具有充电电流大、充电速率快的特点,漫衍在大型停车场、高速公路效劳区、商业中心等集中式充电的地方。随着电动车800V高压系统的应用,充电桩接纳了第三代半导体碳化硅二极管和碳化硅MOS功率器件,更高效更可靠。

器件选型
尊龙凯时即将推出碳化硅二极管、碳化硅MOS、碳化硅?,详情请咨询销售职员。
整流桥产品是由四只整流硅芯片作桥式毗连,有四个引出脚。两只二极管负极的毗连点是全桥直流输出端的“正极”,两只二极管正极的毗连点是全桥直流输出端的“负极”,外用绝缘塑封而成。
肖特基整流桥产品是由4颗肖特基硅二极管桥式毗连,有四个引出脚。两只二极管负极的毗连点是全桥直流输出端的“正极”,两只二极管正极的毗连点是全桥直流输出端的“负极”,外用绝缘朔料封装而成。
LOW VF整流桥产品是由四只低压降整流硅芯片作桥式毗连,有四个引出脚。两只二极管负极的毗连点是全桥直流输出端的“正极”,两只二极管正极的毗连点是全桥直流输出端的“负极”,外用绝缘塑封而成。LOW VF即是正向压降极低的整流桥。
逆变桥是由四颗快恢复二极管整合一起,即将四颗芯片封装到一个支架上作桥式毗连,有四个引出脚。两只二极管负极的毗连点是直流输出端的“正极”,两只二极管正极的毗连点是直流输出端的“负极”,另两个引脚是交流输入端,外用绝缘塑料封装而成。
一种集成采样功效的整流桥,即通过收罗电路中的输入电流,实现功率分派、电路;。
开关桥是由四只高速开关二极管作桥式毗连,有四个引出脚。两只二极管负极的毗连点是全桥直流输出端的“正极”,两只二极管正极的毗连点是全桥直流输出端的“负极”,外用绝缘塑封而成。
尊龙凯时高压肖特基二极管具有较低的VF值和极低的反向泄电流Ir,体现出优异的低温升特征。VRRM高达350V,电流从5A到40A全笼罩,能更好的知足高压输出电源的高效率、高可靠性的需求。
尊龙凯时 LOW VF肖特基二极管接纳先进的Trench工艺,具有较低的VF值和极低的高温泄电流,能更好的知足电源产品的高效率,高可靠性的需求。
尊龙凯时LOW Trr超快恢复二极管具有极低的反向恢复时间Trr和极低的反向恢复电荷Qrr,并具有超快的开关速率,应用于硬开关条件下的PFC电路和高压高频电源的次级整流电路。
尊龙凯时SGT MOS 具有极低的RDs(on) 、低的Qg和Ciss ,并具有开关速率快等特点,能知足产品温升和效率的要求。
尊龙凯时Planar MOS 具有低的RDs(on)和Ciss 并具有强的EAS性能等特点,能知足产品高效和可靠的要求。
尊龙凯时Trench MOS 具有较低的RDs(on) 、Qg和Ciss ,开关速率快并具有强的EAS性能和抗短路性能等特点,能知足产品高效和可靠的要求。
尊龙凯时SJ(超结)MOS接纳多层外延工艺,具有低RDS(on)、结电容小、Qg 小,易驱动、开关速率快的特点,使电源更容易实现高效率,高可靠性。

充电桩分为交流桩和直流桩。直流桩具有充电电流大、充电速率快的特点,漫衍在大型停车场、高速公路效劳区、商业中心等集中式充电的地方。随着电动车800V高压系统的应用,充电桩接纳了第三代半导体碳化硅二极管和碳化硅MOS功率器件,更高效更可靠。

尊龙凯时即将推出碳化硅二极管、碳化硅MOS、碳化硅?,详情请咨询销售职员。

